Günal Y. Yanıtlama zamanı: Ekim 24, 2017 Raporla Share Yanıtlama zamanı: Ekim 24, 2017 Turhan Bey, dediğinize katılıyorum. Güç paylaşılacağı için bir düşüş olacaktır. Ama Murat Beyin kuracağı sistemde sub için ön kapılardan veya arka kapılardan alınan sinyalin sesi fark edilecek düzeyde etkileyeceğini sanmıyorum. Neticede çok pro bir sistem olmayacak. Yorum bağlantısı Diğer sitelerde paylaş More sharing options...
Turhan Atasoy Yanıtlama zamanı: Ekim 24, 2017 Raporla Share Yanıtlama zamanı: Ekim 24, 2017 Murat,bunu sana özel çizdim başka biryerde yok Bu şekilde yaparsan sistem seni kesinlikle üzmez.Tabi kullanılacak olan malzemede önemli bu durumda.Ben senin yerinde olsam bu OEM hoparlör olayına(Merkez hop. hariç)girmeden,kapılardakileri direk kaliteli 2 kanal komponentlerle değiştirdim(FOCAL,HERTZ,AUDİSON)gibi markaları tercih ederek.Resmini koyduğum deck çevirici sadece örnek olarak verildi,kalitesini bilmem ama bu işte bilindik markadar,farklı model/markalar araştırmasıda yapılabilir.RCA kablo kullanılacak tüm sistemlerde tafsiyem kesinlikle AUDISON ve FOCAL'den yanadır.Tek çıkış yada çift çıkış DECK çeviricilerde'de en iyisi Audison'dur...Amfide Audıson,Hertz ilk tercihlerin olsun. Bu tavsiyeler hedeflerinin dışına çıktı galiba ama şurda dursun,başkalarınada fikir olsun.. 1 Yorum bağlantısı Diğer sitelerde paylaş More sharing options...
Serkan Karakoca Yanıtlama zamanı: Ekim 24, 2017 Raporla Share Yanıtlama zamanı: Ekim 24, 2017 Murat abi gel ankaraya yapalım sana en canlısından şöyle bişey yapalım sana gel naz etme az maliyet surround premıum güzel ses 1 Yorum bağlantısı Diğer sitelerde paylaş More sharing options...
Misafir Yanıtlama zamanı: Ekim 24, 2017 Raporla Share Yanıtlama zamanı: Ekim 24, 2017 11 dakika önce, Serkan Karakoca yazdı: Murat abi gel ankaraya yapalım sana en canlısından şöyle bişey yapalım sana gel naz etme az maliyet surround premıum güzel ses fabrika çıkışlı sony ses sistemin var dert tasam yok Murat abiye özel caps yaptım Yorum bağlantısı Diğer sitelerde paylaş More sharing options...
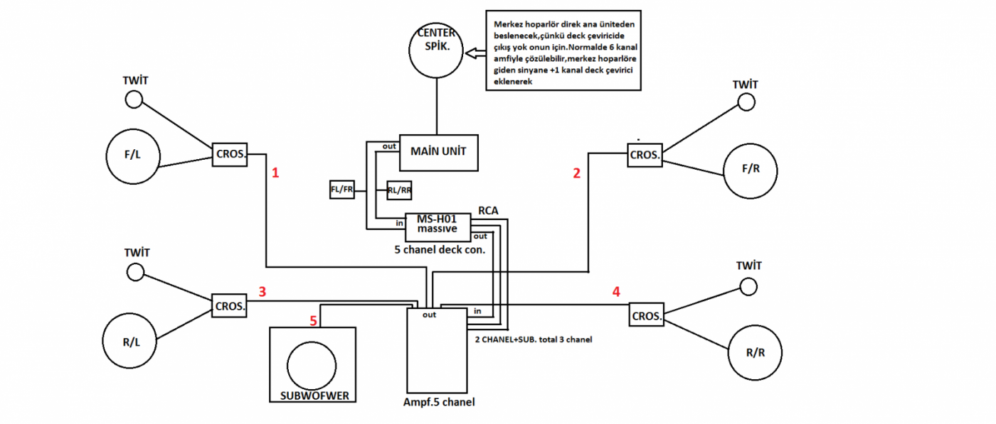
Murat Kav. Yanıtlama zamanı: Ekim 24, 2017 Yazar Raporla Share Yanıtlama zamanı: Ekim 24, 2017 50 dakika önce, Turhan Atasoy yazdı: Murat,bunu sana özel çizdim başka biryerde yok Bu şekilde yaparsan sistem seni kesinlikle üzmez.Tabi kullanılacak olan malzemede önemli bu durumda.Ben senin yerinde olsam bu OEM hoparlör olayına(Merkez hop. hariç)girmeden,kapılardakileri direk kaliteli 2 kanal komponentlerle değiştirdim(FOCAL,HERTZ,AUDİSON)gibi markaları tercih ederek.Resmini koyduğum deck çevirici sadece örnek olarak verildi,kalitesini bilmem ama bu işte bilindik markadar,farklı model/markalar araştırmasıda yapılabilir.RCA kablo kullanılacak tüm sistemlerde tafsiyem kesinlikle AUDISON ve FOCAL'den yanadır.Tek çıkış yada çift çıkış DECK çeviricilerde'de en iyisi Audison'dur...Amfide Audıson,Hertz ilk tercihlerin olsun. Bu tavsiyeler hedeflerinin dışına çıktı galiba ama şurda dursun,başkalarınada fikir olsun.. Bu resim güzel, çıktısını alıp saklıyorum. Şu an aşağıdaki gibi basit bir sistem kurmak üzereyim. Sıkılırsam buna dönebiliriz Resimdeki mavi kutucukların tamamı şuanda elimde mevcut. Sadece arka twitlerin montajında sıkıntı çıkacak gibi. Onu çözmem lazım. Subwoofer'ı da değiştireceğim. Stepne uyumlu modeli kullanmayı düşünüyorum. Yorum bağlantısı Diğer sitelerde paylaş More sharing options...
Misafir Yanıtlama zamanı: Ekim 24, 2017 Raporla Share Yanıtlama zamanı: Ekim 24, 2017 1 dakika önce, Murat Kav. yazdı: Bu resim güzel, çıktısını alıp saklıyorum. Şu an aşağıdaki gibi basit bir sistem kurmak üzereyim. Sıkılırsam buna dönebiliriz Resimdeki mavi kutucukların tamamı şuanda elimde mevcut. Sadece arka twitlerin montajında sıkıntı çıkacak gibi. Onu çözmem lazım. Subwoofer'ı da değiştireceğim. Stepne uyumlu modeli kullanmayı düşünüyorum. arka twit için kapı pandizotunu delmekden başka bir çare yok. Temiz işçilik oldukdan sonra neden sorun olsunki ? Sonuç olarak oem sistem kuruluyor. Yorum bağlantısı Diğer sitelerde paylaş More sharing options...
Serkan Karakoca Yanıtlama zamanı: Ekim 24, 2017 Raporla Share Yanıtlama zamanı: Ekim 24, 2017 3 dakika önce, Zafer Akbs yazdı: fabrika çıkışlı sony ses sistemin var dert tasam yok Murat abiye özel caps yaptım şu an bendeki rangeden ve çoğu premıumdan güzel çalıyor yalnız heleki i playden den dinlersen değme keyfime süper oldu vallahi bende 4 kapı sony ön arka kapılardaki tweteerlar sony arka subbabs jbl 20cm bir minik hybrd sony anfi ile kapıları besledim bir tanede philiippo mono anfi alıp jbl destekledim sonuç mükemmel bence yalıtımda olduğundan kapılarda bagajda çoğu 5-6 binlik üst düzey sistemden tatminkar çalıyor keyifle dinliyorum Yorum bağlantısı Diğer sitelerde paylaş More sharing options...
Murat Kav. Yanıtlama zamanı: Ekim 24, 2017 Yazar Raporla Share Yanıtlama zamanı: Ekim 24, 2017 Şimdi, Zafer Akbs yazdı: arka twit için kapı pandizotunu delmekden başka bir çare yok. Temiz işçilik oldukdan sonra neden sorun olsunki ? Sonuç olarak oem sistem kuruluyor. Aldığım kuga twitlerin arkası bombeli. Onun yerine focus mk2.5, ya da transit kapağı bulmamız lazım çıkıntı olmaması için, mondeo 2014 öncesi de oluyormuş. Ya da iyi bir zımparacı lazım Yorum bağlantısı Diğer sitelerde paylaş More sharing options...
Turhan Atasoy Yanıtlama zamanı: Ekim 24, 2017 Raporla Share Yanıtlama zamanı: Ekim 24, 2017 8 dakika önce, Murat Kav. yazdı: Bu resim güzel, çıktısını alıp saklıyorum. Şu an aşağıdaki gibi basit bir sistem kurmak üzereyim. Sıkılırsam buna dönebiliriz Resimdeki mavi kutucukların tamamı şuanda elimde mevcut. Sadece arka twitlerin montajında sıkıntı çıkacak gibi. Onu çözmem lazım. Subwoofer'ı da değiştireceğim. Stepne uyumlu modeli kullanmayı düşünüyorum. Koaksiel işine girme derim,oldum olası o hoparlörleri sevmem,amatör'lüğü andırıyorlar bana.Tiz sesleri alttan geleceği için tatmin etmeyebilir(kanımca etmeyecektir) Yorum bağlantısı Diğer sitelerde paylaş More sharing options...
Misafir Yanıtlama zamanı: Ekim 24, 2017 Raporla Share Yanıtlama zamanı: Ekim 24, 2017 1 dakika önce, Murat Kav. yazdı: Aldığım kuga twitlerin arkası bombeli. Onun yerine focus mk2.5, ya da transit kapağı bulmamız lazım çıkıntı olmaması için, mondeo 2014 öncesi de oluyormuş. Ya da iyi bir zımparacı lazım Abi bildiğin döşemeciye götür pandizotu kessin güzelcene yerine oturtsun olay çözülür. Bence elindekini kullan. sonuç olarak kuga için yapılmış yedek parça. Haricinde toplama araç gibi durur. Yorum bağlantısı Diğer sitelerde paylaş More sharing options...
Turhan Atasoy Yanıtlama zamanı: Ekim 24, 2017 Raporla Share Yanıtlama zamanı: Ekim 24, 2017 5 dakika önce, Murat Kav. yazdı: Aldığım kuga twitlerin arkası bombeli. Onun yerine focus mk2.5, ya da transit kapağı bulmamız lazım çıkıntı olmaması için, mondeo 2014 öncesi de oluyormuş. Ya da iyi bir zımparacı lazım Tornada oraya ters flanş yapılamazmı? Yorum bağlantısı Diğer sitelerde paylaş More sharing options...
Murat Kav. Yanıtlama zamanı: Ekim 24, 2017 Yazar Raporla Share Yanıtlama zamanı: Ekim 24, 2017 7 dakika önce, Zafer Akbs yazdı: Abi bildiğin döşemeciye götür pandizotu kessin güzelcene yerine oturtsun olay çözülür. Bence elindekini kullan. sonuç olarak kuga için yapılmış yedek parça. Haricinde toplama araç gibi durur. Focus MK2.5'da da aynı twit var, sadece kapağı farklı. 9 hoparlörlü kugada arka kapı triminde twit boşluğu içe doğru bombeli olduğu için o şekilde yapılmış. Daha doğrusu yeni nesil fordlar bu şekilde görünüyor, eskiler düz. 5 dakika önce, Turhan Atasoy yazdı: Tornada oraya ters flanş yapılamazmı? Kayınçonun atelyesinde çözeriz biz bu işi aslında Yorum bağlantısı Diğer sitelerde paylaş More sharing options...
Turhan Atasoy Yanıtlama zamanı: Ekim 24, 2017 Raporla Share Yanıtlama zamanı: Ekim 24, 2017 18 dakika önce, Zafer Akbs yazdı: fabrika çıkışlı sony ses sistemin var dert tasam yok Murat abiye özel caps yaptım Zafer bu tartışmaya açık bir konu.Ne yaptığını biliyorsan(kendin yapacaksan),yada ne yaptığını bilen bir tesisatçın varsa OEM'in O'sunu bile ağzına almazssın.Malesef Türkiyede bu işi laikiyle yapabilen yer sayılı ve istedikleri fiyatlar astronomik.Zamanında 1-2 hatalı tesisatçı seçiminden sonra bu işlere kafa yormaya başladım ve yaptığım ilk uygulama yeterince tatminkardı.Apachi tarz sistemden bahsetmiyorum(hiç sevmem)hedefim mümkün olduğunca berrak ses olmuştur hep.OEM sistem olarak o hedeflediğim sese sadece BOSE ve Harman Kardon sistemlerinde şahit oldum.Ford'taki Sony sistem onların yanından bile geçemez,nedemek istediğimi anlatabildim umarım. Yorum bağlantısı Diğer sitelerde paylaş More sharing options...
Ozan Kar Yanıtlama zamanı: Ekim 24, 2017 Raporla Share Yanıtlama zamanı: Ekim 24, 2017 38 dakika önce, Murat Kav. yazdı: Aldığım kuga twitlerin arkası bombeli. Onun yerine focus mk2.5, ya da transit kapağı bulmamız lazım çıkıntı olmaması için, mondeo 2014 öncesi de oluyormuş. Ya da iyi bir zımparacı lazım trim bombeli değil mi? aynı arabanın parçası olunca bombeleri birbirine göre olması lazım değil mi? Yorum bağlantısı Diğer sitelerde paylaş More sharing options...
Turhan Atasoy Yanıtlama zamanı: Ekim 24, 2017 Raporla Share Yanıtlama zamanı: Ekim 24, 2017 5 dakika önce, Ozan Kar yazdı: trim bombeli değil mi? aynı arabanın parçası olunca bombeleri birbirine göre olması lazım değil mi? Twit'lerin yeri açık değil,açınca düz bir delik ağzı oluşacaktır.Resimdeki twitlerin trime ortuğu kısımları konik,demekki orlinalinde twitter olan Kuga'nın triminin o twitter girişide ona göre konik. Yorum bağlantısı Diğer sitelerde paylaş More sharing options...
Önerilen Mesajlar
Hesap oluşturun veya yorum yazmak için oturum açın
Yorum yapmak için üye olmanız gerekiyor
Hesap oluştur
Hesap oluşturmak ve bize katılmak çok kolay.
Hesap OluşturGiriş yap
Zaten bir hesabınız var mı? Buradan giriş yapın.
Giriş Yap